| 產品描述 | 技術參數 | 包裝參數 | 技術文檔 | |||
|
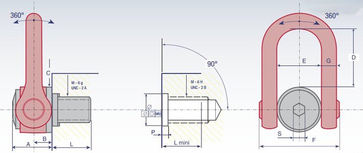
【產品名稱】DSS+C型旋轉吊環螺絲 【產品品牌】盧森堡CODIPRO旋轉吊環 【產品規格】5T~32.1T 【產品保質】保質期12個月 【是否現貨】現貨供應 【產品材質】鍛造合金鋼 【產品標準】經ISO9001、ISO14001認證,歐洲質量體系EQS認證,符合EN 1677-1生產標準制 【典型應用】廣泛應用于模具,機床,風電等機械設備的吊裝搬運
產品特點: ● 與“DSS型旋轉吊環”相比,配備定心系統,軸阻力增強,旋轉環上的負荷橫向固定更安全; ● DSS+C型旋轉吊環螺絲由內六角扳手擰緊; ● DSS+C型旋轉吊環從M24到M64為標準:從5噸負荷至32.1噸; ● 盧森堡DSS+C型旋轉吊環螺絲可按需定制其他螺栓變種產品。
DSS+C型旋轉吊環螺絲使用案例:
|
||||||
|
相關產品
|










