| 產品描述 | 技術參數 | 包裝參數 | 技術文檔 | ||||||
|
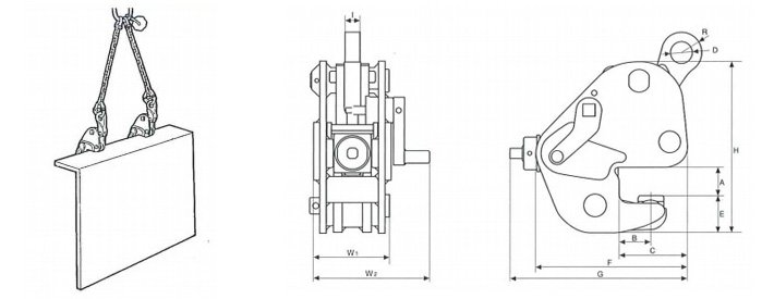
【產品名稱】GNE型橫吊無傷鋼板鉗,GNE無傷型橫吊鋼板鉗 【產品品牌】日本EAGLE CLAMP鷹牌 【產品規格】1噸 【產品保質】保質期12個月 【是否現貨】現貨供應 【分類】橫吊夾具,H鋼用夾具、無傷夾具,無劃痕鋼板鉗 【用途】橫吊、水平吊裝,搬運,反轉,旋轉,焊接,組裝,搭建,加工等 【適用鋼材】形鋼(H形鋼),鋼骨,鋼鐵構造物,鋼板,鋼制框架等,對于表面涂層的(環氧樹脂漆)硬度HV280鋼材和非鐵金屬材料,如鋼造船,不銹鋼,包鋼,鋁、不銹鋼板、鋁合金材料等無劃痕起吊
● 鷹牌GNE型橫吊無傷鋼板鉗,可以實現鋼板無劃痕起吊; ● GNE型鷹牌無傷鋼板鉗輕量小巧,是窄面型鋼板鉗; ● GNE無傷型橫吊鋼板鉗附帶螺旋式夾緊釋放裝置,強大自動緊固機構; ● 采用精密鍛造高強度鋼制本體,整體結構采用特殊合金,經高頻淬火特殊處理。
|
|||||||||
|
相關產品
|













