| 產品描述 | 技術參數 | 包裝參數 | 技術文檔 | ||||||||||
|
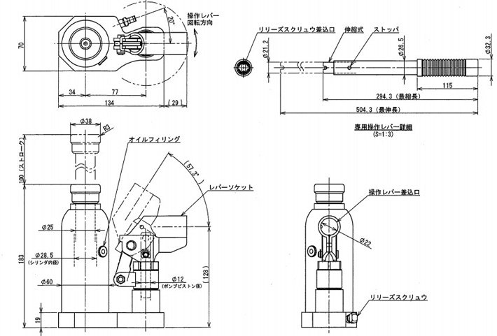
EAGLE JACK ED-25液壓千斤頂是一款標準型立式油壓千斤頂,由日本今野制作所生產制造,使用壽命長7~9年,質量高端,龍海起重為中國代理商。 【產品名稱】EAGLE JACK ED-25液壓千斤頂 【產品品牌】日本EAGLE JACK 【產品規格】ED-25液壓千斤頂(載荷2.5噸) 【產品保質】保質期12個月 【產品選型】液壓千斤頂 【是否定制】提供定制服務,同時可定制“ED-25C無塵型液壓千斤頂” 【典型應用】設備頂升、消防救援、土木工程、建筑工程等領域頂升。
EAGLE JACK ED-25液壓千斤頂為日本原裝進口產品,保質1年,我公司承諾凡是客戶在我公司定購的進口類產品均為原裝正品,絕不存在拆件貨,換件貨,假冒品牌產品,凡客戶從我公司定購EAGLE JACK產品如收到貨物時發現有拆件貨,換件貨,假冒、假貨仿貨均以100倍金額賠償。 ED-25液壓千斤頂結構優勢: 【快速起升設計】ED-25型液壓千斤頂采用獨特設計,每次壓動手柄時千斤頂液壓油的流量加大,可快速起升,降低勞動強度; 【旋轉式壓桿插座】ED-25型液壓千斤頂設計有旋轉式壓桿插座及插孔,壓桿位置在插孔后面,可以從各角度方向進行操作,有效的騰出空間小范圍操作; 【不漏油光滑主軸】ED-25型液壓千斤頂,油缸活塞部分采用耐磨損、防銹的高強度鉻,電鍍加工工藝,防止生銹和變形。
ED-25液壓千斤頂安全性設計: 【千斤頂安全閥】ED-25液壓千斤頂設計有安全閥,防止超載,安全性能提高; 【高度限位控制】ED-25液壓千斤頂使用時行程超過安全范圍時,高度限位控制使千斤頂不再頂升。
ED-25液壓千斤頂操作桿舒適性設計: 【極粗把手的操作手柄】ED-25液壓千斤頂符合人體工學的操作手柄設計,為了減輕操作時的用力,ED-25液壓千斤頂特別設計了操作手柄的粗細、長度、硬度、手感; 【左、右手均可操作】ED-25液壓千斤頂手柄插孔,即可右手操作,也可左手操作。
日本EAGLE JACK千斤頂是日本原裝進口產品,成立于1961年同年EAGLE品牌成立,EAGLE一直致力于千斤頂系列產品的研發、制造。日本EAGLE JACK生產的千斤頂在日本國屬于重工業級產品,EAGLE產品優勢有:材質優、做工細、壽命長、安全級別高,使用方便等。
|
|||||||||||||
|
相關產品
|















