| 產品描述 | 技術參數 | 包裝參數 | 技術文檔 | |||
|
YOKE重力旋轉環—鉗口+眼型接口,是OU型鋼絲繩防旋器,與鋼絲繩配套使用,有效避免鋼絲繩打結。
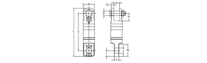
【產品名稱】重力旋轉環—鉗口+眼型接口(OU型鋼絲繩防旋器) 【產品品牌】臺灣YOKE 【產品規格】0.75T~25T 【產品保質】保質期1年 【產品材質】高品質材料制造 【是否現貨】部分型號有現貨 【典型應用】和鋼絲繩配套使用,有效地防止鋼絲繩打結
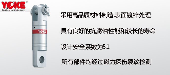
產品特點: ● OU型鋼絲繩防旋器采用高品質材料制造,表面鍍鋅處理,具有良好抗腐蝕性能和較長壽命; ● YOKE重力旋轉環—鉗口+眼型接口,具有較低啟動扭矩和高轉速; ● OU型鋼絲繩防旋器鋼絲繩尺寸范圍為6mm~32mm。 測試認證: ● YOKE重力旋轉環—鉗口+眼型接口,5倍的安全系數; ● OU型鋼絲繩防旋器測試認證時獨立測試載荷為安全工作負荷的2倍; ● OU型鋼絲繩防旋器所有部件均經過磁力探傷裂紋檢測; |
||||||
|
相關產品
|








