| 產品描述 | 技術參數 | 包裝參數 | 技術文檔 | |||
|
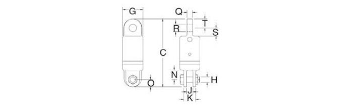
【產品名稱】S-4 OU型轉環(S-4 OU型鋼絲繩防旋器) 【產品別稱】鋼絲繩應力釋放器、重力旋轉環、萬向旋轉接頭、鋼絲繩解扭器 【產品品牌】美國CROSBY科索比 【產品規格】3T~45T 【產品保質】保質期12個月 【是否現貨】部分型號有現貨 【典型應用】和鋼絲繩配套使用,有效防止鋼絲繩打結
產品特點: ● 美國CROSBY OU型轉環,配有錐形滾柱止推軸承; ● S-4 OU型轉環適合在負荷狀態下頻繁旋轉; ● S-4 OU型鋼絲繩防旋器,所有吊鉤都裝配有組裝好的閉銷; ● 美國CROSBY OU型轉環,所有叉口都用螺栓、螺母和開口銷裝配; ● S-4 OU型轉環提供壓力潤滑裝置—壓力加油嘴; ● S-4 OU型鋼絲繩防旋器,不要在拆毀(損壞)的球上使用; ● 備有其他樣式,承重量達1250 噸,可以滿足要求。
溫馨提示: ● 美國CROSBY OU型轉環,分別經過安全試驗并取得證書; ● 重要說明 - Crosby 轉環只應與推薦的鋼絲繩一起使用。要獲取可與 Crosby 轉環配套使用的適當鋼絲繩,請與我公司銷售人員聯系; |
||||||
|
相關產品
|








