| 產品描述 | 技術參數 | 包裝參數 | 技術文檔 | |||||
|
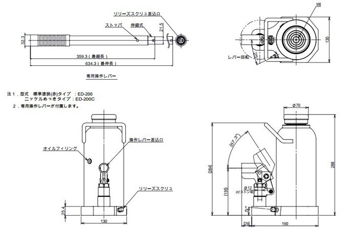
ED-200液壓千斤頂介紹
【產品名稱】EAGLE JACK ED-200液壓千斤頂 【產品品牌】日本EAGLE JACK 【產品規格】ED-200液壓千斤頂(載荷20噸,行程140mm) 【產品保質】保質期1年 【產品選型】液壓千斤頂 【是否現貨】現貨供應 【是否定制】提供定制服務,同時可定制“ED-200C無塵室用液壓千斤頂” 【典型應用】重工業級別設計,適用于設備起頂、救災救援等
ED-200液壓千斤頂質保 EAGLE JACK ED-200液壓千斤頂為日本原裝進口產品,保質1年,我公司承諾凡是客戶在我公司定購的進口類產品均為原裝正品,絕不存在拆件貨,換件貨,假冒品牌產品,凡客戶從我公司定購EAGLE JACK產品如收到貨物時發現有拆件貨,換件貨,假冒、假貨仿貨均以100倍金額賠償。
ED-200液壓千斤頂特點 ●【油缸活塞】ED-200液壓千斤頂,油缸活塞部分采用耐磨損、防銹的高強度鉻,電鍍加工工藝,防止生銹和變形,多年使用后也不會發生變化; ●【旋轉式手柄插座】ED-200液壓千斤頂,設計旋轉式壓桿插孔,可各角度操作,騰出空間小范圍可頂升; ●【液壓油流量增大】ED-200液壓千斤頂壓桿時的液壓油流量增大,加快千斤頂上升速度,減少壓桿次數,省力;
●【極粗操作把手】ED-200液壓千斤頂特別設計適合的操作手柄,減輕操作用力,左右手均可操作。 ●【防超載安全閥】ED-200液壓千斤頂,全系列千斤頂均設有安全閥,提高工作安全性; ●【高度限位控制】ED-200液壓千斤頂行程超過安全范圍時,千斤頂不再起升;
ED-200液壓千斤頂實物圖片
|
||||||||
|
相關產品
|














