| 產品描述 | 技術參數 | 包裝參數 | 技術文檔 | |||||
【產品名稱】鷹牌SJ-15機械式液壓千斤頂,SJ-15型微小千斤頂 【產品品牌】日本EAGLE JACK鷹牌 【產品規格】15T 【產品保質】保質期12個月 【是否現貨】現貨供應 【典型應用】微調整用千斤頂
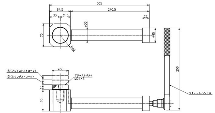
● 鷹牌SJ-15機械式液壓千斤頂,本體高度80mm,結合了“液壓”和“螺旋式”的長處,是小型高功率千斤頂; ● 液壓的優勢在于,使SJ-15型微小千斤頂舉升能力達到15T; ● 螺旋式的優點在于,使鷹牌SJ-15機械式液壓千斤頂有了1/100上下調整的可能,定位準; ● SJ-15型微小千斤頂行程為13mm,通過供給的壓頭調節螺栓調節,可調整行程達15mm; ● 鷹牌SJ-15機械式液壓千斤頂附帶專用收納鐵箱,含有六角扳手,棘輪和調整螺絲為附件。 【鷹牌SJ-15型微小千斤頂附件收納鐵箱】
【鷹牌SJ-15機械式液壓千斤頂使用案例圖片】 |
||||||||
|
相關產品
|











