| 產品描述 | 技術參數 | 包裝參數 | 技術文檔 | |||||||||
|
G-60T低型爪式千斤頂介紹
【產品名稱】EAGLE JACK G-60T低型爪式千斤頂 【產品品牌】日本EAGLE JACK 【產品規格】G-60T低型爪式千斤頂(爪載荷3T,頭部載荷6T) 【產品保質】保質期12個月 【產品目錄】低型爪式千斤頂 【是否定制】提供按需定制,可定制“G-60TC鷹牌無塵室用低型爪式千斤頂” 【典型應用】適合作為設備起頂、防災救援用工具,小空間作業方便
G-60T低型爪式千斤頂質保 EAGLE JACK G-60T低型爪式千斤頂為日本原裝進口產品,保質1年,我公司承諾凡是客戶在我公司定購的進口類產品均為原裝正品,絕不存在拆件貨,換件貨,假冒品牌產品,凡客戶從我公司定購EAGLE JACK產品如收到貨物時發現有拆件貨,換件貨,假冒、假貨仿貨均以100倍金額賠償。
G-60T低型爪式千斤頂特點 G-60T低型爪式千斤頂爪部: ●爪部一體成型,采用高密度材質,堅韌耐久; ●趾部承載能力是頂部的1/2; G-60T低型爪式千斤頂主軸:
G-60T低型爪式千斤頂泵桿及安全設計:
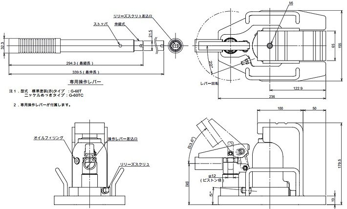
【G-60T低型爪式千斤頂使用示意圖片】
G-60T低型爪式千斤頂實物及案例
【G-60T低型爪式千斤頂使用案例圖片】 |
||||||||||||
|
相關產品
|














