| 產品描述 | 技術參數 | 包裝參數 | 技術文檔 | |||
|
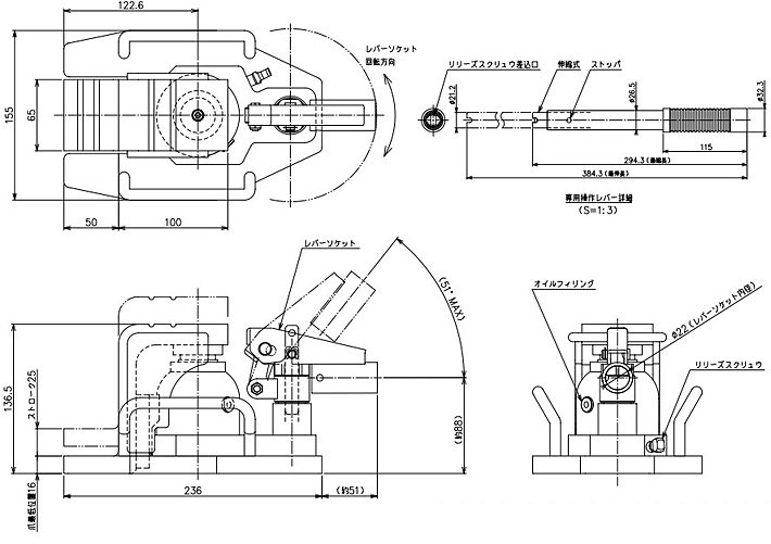
GB-60低型爪式千斤頂介紹
【產品名稱】EAGLE JACK GB-60低型爪式千斤頂 【產品品牌】日本EAGLE JACK 【產品規格】GB-60低型爪式千斤頂(爪載荷2T,頭部載荷6T) 【產品保質】保質期1年 【產品目錄】低型爪式千斤頂 【是否定制】可定制“GB-60C鷹牌無塵室用超低型爪式千斤頂” 【典型應用】可橫向使用,適合微調作業,小縫隙、高度空間受限場合使用 【產品視頻】GB-60鷹牌超低爪式千斤頂視頻
GB-60低型爪式千斤頂質保 EAGLE JACK GB-60低型爪式千斤頂為日本原裝進口產品,保質1年,我公司承諾凡是客戶在我公司定購的進口類產品均為原裝正品,絕不存在拆件貨,換件貨,假冒品牌產品,凡客戶從我公司定購EAGLE JACK產品如收到貨物時發現有拆件貨,換件貨,假冒、假貨仿貨均以100倍金額賠償。
GB-60低型爪式千斤頂特點 ●GB-60低型爪式千斤頂,本體高度采用低矮型設計,僅高136mm,爪部位置僅有16mm,小縫隙可插入使用,尤其適合高度受限場合; ●GB-60低型爪式千斤頂爪部和頭部均可以頂升,行程25mm; ●GB-60低型爪式千斤頂可以橫向使用,非常適合微調作業;小體積大載荷,自重僅9.7kg; ●GB-60低型爪式千斤頂采用旋轉式壓桿插座,騰出空間,使用方便靈活; ●GB-60鷹牌超低型爪式千斤頂活塞電鍍加工高強度鉻,光滑耐磨損防銹、不漏油; ●GB-60低型爪式千斤頂設有安全閥、高度限位裝置,確保作業安全性。
GB-60低型爪式千斤頂實物展示
【GB-60低型爪式千斤頂實拍圖片一】
【GB-60低型爪式千斤頂實拍圖片二】
【GB-60低型爪式千斤頂使用案例圖片】
|
||||||
|
相關產品
|














