| 產品描述 | 技術參數 | 包裝參數 | 技術文檔 | |||
|
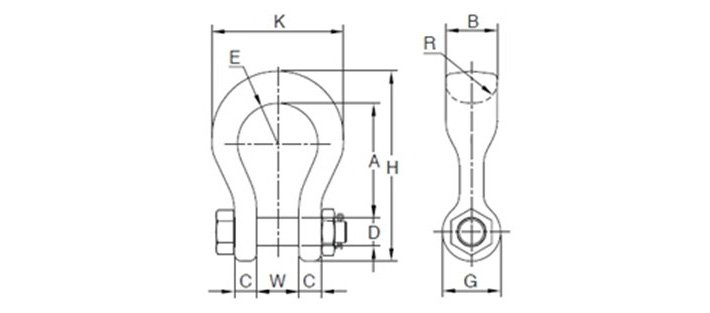
【產品名稱】YOKE寬體卸扣8-809(鍛造合金鋼寬體卸扣) 【產品品牌】臺灣YOKE 【產品規格】7噸~30噸 【產品保質】保質期12個月 【是否現貨】現貨供應 【是否定制】暫不提供定制 【典型應用】廣泛適用于電力、冶金、石油、機械、鐵路、化工、港口、礦山、建筑等各行各業
產品特點: ● YOKE寬體卸扣8-809由高強度合金鋼鍛造而成,帶有螺母銷設計; ● 8-809合金鋼寬體卸扣制造過程中經過電磁探傷檢測; ● 合金鋼寬體卸扣在1.5倍工作荷載限制下,進行20000周期疲勞度測試; ● 每一個YOKE寬體卸扣均保持有工作大小; ● 所有YOKE寬體卸扣均帶有批次編號,有利于產品的測試認證與品質追蹤;
【YOKE寬體卸扣8-809】 |
||||||
|
相關產品
|









