| 產品描述 | 技術參數 | 包裝參數 | 技術文檔 | |||
|
GU-100T低型多段爪式千斤頂介紹
【產品名稱】EAGLE JACK GU-100T低型多段爪式千斤頂 【產品品牌】日本EAGLE JACK 【產品規格】GU-100T低型多段爪式千斤頂(爪載荷5T,頭部載荷10T) 【產品保質】保質期12個月 【是否現貨】多段爪式千斤頂 【是否定制】可定制無塵低型多段爪式千斤頂 【典型應用】標準千斤頂達不到起升高度要求的場合用;高度受限制的場合用;設備頂升、防災救援等
GU-100T低型多段爪式千斤頂質保 EAGLE JACK GU-100T低型多段爪式千斤頂為日本原裝進口產品,保質1年,我公司承諾凡是客戶在我公司定購的進口類產品均為原裝正品,絕不存在拆件貨,換件貨,假冒品牌產品,凡客戶從我公司定購EAGLE JACK產品如收到貨物時發現有拆件貨,換件貨,假冒、假貨仿貨均以100倍金額賠償。
GU-100T低型多段爪式千斤頂特點 【多段式】GU-100T低型多段爪式千斤頂增加補助爪,可按需調節位置,滿足不同頂升高度需求; (注:GU-100T低型多段爪式千斤頂的補助爪卸下后,可用作標準型爪式千斤頂) 【低矮型】GU-100T低型多段爪式千斤頂的本體高度低型設計: GU-100T低型多段爪式千斤頂防超載安全閥、高度限位裝置,使用安全; GU-100T低型多段爪式千斤頂每次壓桿時液壓油流量增大設計,壓桿次數減少,效率提高。
【EAGLE JACK GU-100T低型多段爪式千斤頂使用示意圖片】
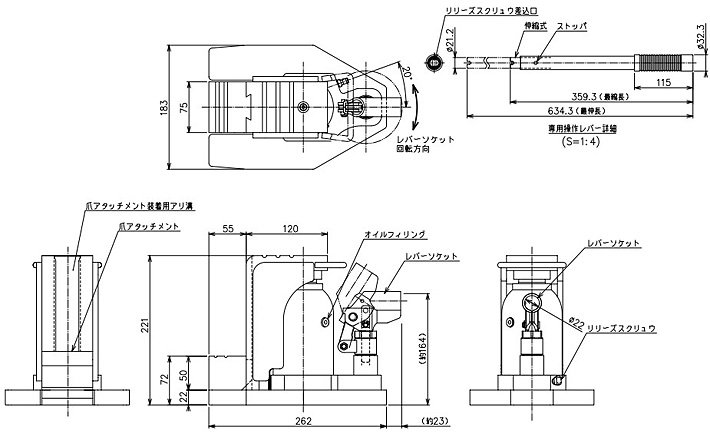
【EAGLE JACK GU-100T低型多段爪式千斤頂細節展示】 |
||||||
|
相關產品
|











