| 產品描述 | 技術參數 | 包裝參數 | 技術文檔 | ||||
|
GU-100多段爪式千斤頂介紹
【產品名稱】EAGLE JACK GU-100多段爪式千斤頂 【產品品牌】日本EAGLE JACK 【產品規格】GU-100多段爪式千斤頂(爪載荷5T,頭部載荷10T) 【產品保質】保質期12個月 【產品目錄】多段爪式千斤頂 【是否定制】可定制無塵型千斤頂 【典型應用】標準千斤頂達不到起升高度要求的場合用于設備頂升、防災救援等
GU-100多段爪式千斤頂質保 EAGLE JACK GU-100多段爪式千斤頂為日本原裝進口產品,保質1年,我公司承諾凡是客戶在我公司定購的進口類產品均為原裝正品,絕不存在拆件貨,換件貨,假冒品牌產品,凡客戶從我公司定購EAGLE JACK產品如收到貨物時發現有拆件貨,換件貨,假冒、假貨仿貨均以100倍金額賠償。
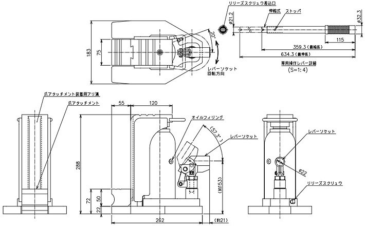
GU-100多段爪式千斤頂優勢 ●GU-100多段爪式千斤頂,增加補助爪位,可更換趾位置,在普通爪式千斤頂達不到起升高度式做更有效的頂升。 ●GU-100多段爪式千斤頂,爪部位置【22mm】,補助爪位置【72mm】,頭部高度【288mm】,適用范圍廣;
●GU-100多段爪式千斤頂的補助爪拆卸后,可以用作標準爪式千斤頂; ●GU-100多段爪式千斤頂主軸光滑,高強度鉻電鍍加工,不變形不漏油; ●GU-100多段爪式千斤頂壓桿可以左右旋轉,各種角度方便操作,且設有安全閥防過載,適用更安全。
【EAGLE JACK GU-100多段爪式千斤頂細節圖】
【EAGLE JACK GU-100多段爪式千斤頂實物圖片】 |
|||||||
|
相關產品
|












