| 產品描述 | 技術參數 | 包裝參數 | 技術文檔 | |||
|
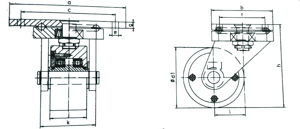
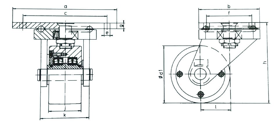
SL型Borkey轉向腳輪產品介紹 【產品名稱】SL型Borkey轉向腳輪 【產品品牌】德國Borkey品牌 【產品保質】保質期12個月 【典型應用】用于以速度100m/min的運輸負載 SL型Borkey轉向腳輪產品質保 德國Borkey SL型Borkey轉向腳輪為德國原裝進口產品,保質1年,我公司承諾凡是客戶在我公司定購的進口類產品均為原裝正品,絕不存在拆件貨,換件貨,假冒品牌產品,凡客戶從我公司定購德國Borkey品牌產品如收到貨物時發現有拆件貨,換件貨,假冒、假貨仿貨均以100倍金額賠償。
SL型Borkey轉向腳輪產品特點 ●SL型Borkey轉向腳輪可用于轉彎處 ●德國Borkey旋轉腳輪可以與其他安裝組合 ●屬于實心鋼結構的自導膠輪 |
||||||
|
相關產品
|










