| 產品描述 | 技術參數 | 包裝參數 | 技術文檔 | |||
|
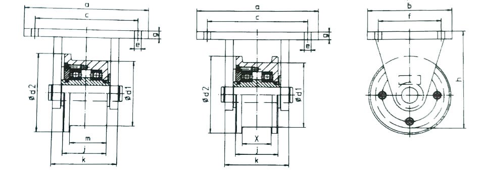
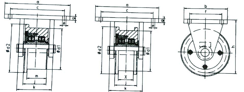
德國Borkey固定腳輪產品介紹 【產品名稱】德國Borkey固定腳輪 【產品品牌】德國Borkey品牌 【產品保質】保質期12個月 【典型應用】用于以速度100m/min的運輸負載,經常用于施工現場、機床廠等
德國Borkey固定腳輪產品質保 德國Borkey 固定腳輪為德國原裝進口產品,保質1年,我公司承諾凡是客戶在我公司定購的進口類產品均為原裝正品,絕不存在拆件貨,換件貨,假冒品牌產品,凡客戶從我公司定購德國Borkey品牌產品如收到貨物時發現有拆件貨,換件貨,假冒、假貨仿貨均以100倍金額賠償。
德國Borkey固定腳輪產品特點 ●德國Borkey固定腳輪采用實心鋼結構,堅固耐用 ●德國進口固定腳輪是用于型材的法蘭輪 ●承載板固定孔的位置可以根據客戶要求進行定制 |
||||||
|
相關產品
|










