| 產品描述 | 技術參數 | 包裝參數 | 技術文檔 | ||||||
【產品名稱】LDTF300型半電動直角支腿翻轉車 【產品品牌】龍升品牌 【產品規格】300kg 【產品保質】保質期12個月
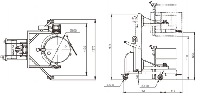
LDTF300型半電動直角支腿翻轉車介紹
龍升半電動直角支腿翻轉車屬于煙臺開發區龍海起重工具有限公司旗下品牌產品,產品保質周期為12個月(易損件除外),在產品保質周期內正常使用的情況下出現的質量問題,我公司可提供免費維修、免費更換配件、如因質量問題維修或更換配件仍然不能達到正常使用,可免費更換主機(產品附件以及易損件除外)由此產生的運輸,維修費用由我公司承擔。非質量問題我公司將收費處理,所產生的運輸、維修等費用由客戶承擔。 注意:不論產品出現上述那種問題,客戶需要提供清楚的故障視頻以及產品故障圖片,并說明使用方式。
●LDTF300型半電動直角支腿翻轉車叼扣式和抱箍式相結合,適合各種鋼制和塑料油桶,對堆放在托盤邊角的油桶進行操作,從托盤的對角線方向搬運油桶 ●LDTF300型半電動直角支腿翻轉車電動180度旋轉,可以把油桶保持在任意角度 ●LDTF300型半電動直角支腿翻轉車電動升高、搬運、翻轉以及傾倒油桶 ●LDTF300型半電動直角支腿翻轉車車帶電子稱,有置零、稱重、去皮功能,精確度達±3%,儀表可選配 |
|||||||||
|
相關產品
|









