| 產品描述 | 技術參數 | 包裝參數 | 技術文檔 | |||||||||||
|
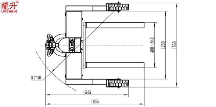
戶外電動搬運車基本介紹 電動搬運車無法在戶外作業?那是過去的事情了,現在龍海起重推出龍升戶外電動搬運車,電動提升、電動行走、橡膠大輪子等都幫你解決了路面環境不好,無法進行搬運作業的難題。因此它又被叫做“建筑用電動搬運磚車”、“戶外搬磚專用車”等。 【產品名稱】戶外電動搬運車 【產品品牌】龍升品牌 【產品質保】質保一年 【產品來源】電動搬運車 【主要用途】戶外電動搬運車主要應用于建筑行業搬磚使用,可以有效解決路面不平整的貨物轉運問題。
龍升戶外電動搬運車屬于煙臺開發區龍海起重工具有限公司旗下品牌產品,產品保質周期為12個月(易損件除外),在產品保質周期內正常使用的情況下出現的質量問題,我公司可提供免費維修、免費更換配件、如因質量問題維修或更換配件仍然不能達到正常使用,可免費更換主機(產品附件以及易損件除外)由此產生的運輸,維修費用由我公司承擔。非質量問題我公司將收費處理,所產生的運輸、維修等費用由客戶承擔。 注意:不論產品出現上述那種問題,客戶需要提供清楚的故障視頻以及產品故障圖片,并說明使用方式。
戶外電動搬運車優勢介紹 ●戶外電動搬運車采用橡膠大輪子設計,路面通過率高; ●戶外電動搬運車的交流驅動系統,提升強勁動力,易維護,運行平穩; ●戶外電動搬運車配置電量表,方便提醒操作者適時充電,保護電池; ●戶外電動搬運車的控制器具備自我診斷系統,通過手持單元顯示故障代碼,解決故障更方便; ●戶外電動搬運車設有緊急反向功能,使操作者避免受到傷害,安全保障滿分; ●戶外電動搬運車更具備適用性強、環保無污染、維護方便、操作靈活、噪音低等優勢;
戶外電動搬運車標準配置 ●電池電量顯示 ●智能充電器 ●交流驅動系統 ●布赫液壓泵站 ●美國CURTIS控制器 ●免維護電池 ●鑰匙開關 ●急停開關
戶外電動搬運車可選配置 ●磷酸鐵鋰電池 ●定制貨叉 ●定制支腿尺寸 ●快充電器 |
||||||||||||||
|
相關產品
|














