搜索熱門:按產品名稱
技術支持
最近瀏覽過的產品
訂貨號:SJC型螺旋千斤頂 原始型號:SJC型螺旋千斤頂 品牌: 韓國Tonners千斤頂 品牌所屬地:韓國
發貨周期:可訂貨最小訂貨量:1
在線咨詢:
全國訂購服務免費熱線:0535-6106706 15552259281
SJC型螺旋千斤頂介紹
【產品價格】SJC型螺旋千斤頂
【產品品牌】韓國Tonners品牌
【產品質保】保質1年
【產品應用】用作地鐵施工、隧道開挖施工、高架公路施工的支撐
【產品型號】SJC-30、SJC-50、SJC-100、SJC-150、SJC-200、SJC-250
SJC型螺旋千斤頂優勢
●SJC型螺旋千斤頂與施工現場使用的結構鋼(H型鋼)的規格無關
●SJC型螺旋千斤頂通過熱處理工藝的鑄造結構獲得高強度保證
●SJC型螺旋千斤頂特殊的防腐涂層,不容易被侵蝕
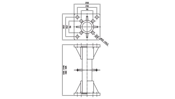
SJC型螺旋千斤頂尺寸圖
SJC型螺旋千斤頂參數
型號名稱
底座部分
螺絲部分
重量
(公斤)
規格
(毫米)
高度
長度
外徑
螺絲深度
螺桿寬度
螺紋
SJC-30
270Φ200x200(±2)
140 (±1)
360
75
4.0±0.1
3.2±0.1
15
12
SJC-50
298x297 (±2)
138 (±1)
370
94
16
36
SJC-100
146 (±1)
97
41
SJC-150
165 (±1)
430
103
55
SJC-200
390
14
58
SJC-250
71
溫馨提示:由于SJC型螺旋千斤頂產品不斷升級,以實物為準,參數變動不另行通知!