| 產品描述 | 技術參數 | 包裝參數 | 技術文檔 | |||
|
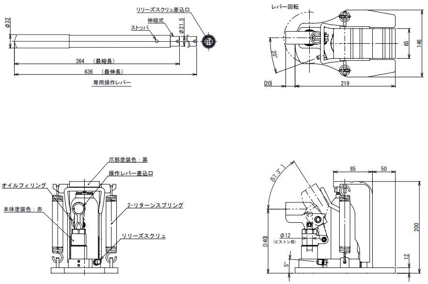
E-R型爪式千斤頂,彈簧復位爪式千斤頂,一款配備復位彈簧、兼具“安全性”、“高作業效率”和“耐久性”的爪式千斤頂。 E-R型爪式千斤頂介紹 【產品名稱】E-R型爪式千斤頂 【產品品牌】日本鷹牌EAGLE JACK 【產品規格】爪部載重1.2-5t,頂部載重3-10t 【產品保質】質保1年 【應用領域】廣泛應用于汽車制造、鑄造機械、交通運輸、廠礦、電廠、煙廠、船舶重工、光學研究等場所。
E-R型爪式千斤頂質保 E-R型爪式千斤頂為日本原裝進口產品,保質1年,我公司承諾凡是客戶在我公司定購的進口類產品均為原裝正品,絕不存在拆件貨,換件貨,假冒品牌產品,凡客戶從我公司定購EAGLE JACK產品如收到貨物時發現有拆件貨,換件貨,假冒、假貨仿貨均以100倍金額賠償。
E-R型爪式千斤頂優勢 ●E-R型爪式千斤頂配備復位彈簧,即使在無負荷狀態下,也只需松開釋放螺絲,爪部即可平穩下降。工作完成后,千斤頂的下放作業效率得到顯著提升。 ●采用高強度鋼,強度高、韌性高,頂部、爪部均可承重,使用更廣泛。 ●配備防止因過載導致產品損壞的安全閥(溢流閥),為可靠的現場作業提供支持 ●配備可180度旋轉的旋轉式杠桿插座,即使在狹窄空間,也能從側面進行泵壓操作。 ●E-R型爪式千斤頂杠桿操作力在25kgf以下,比JIS標準規定的35kgf以下降低了約28%。可以用更小的力量更輕松、更從容地進行操作。? |
||||||
|
相關產品
|









