| 產品描述 | 技術參數 | 包裝參數 | 技術文檔 | ||||
|
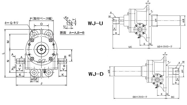
日本OJ WJ型標準蝸輪千斤頂包括兩種產品:WJ-U型標準蝸輪千斤頂、WJ-D型標準蝸輪千斤頂,技術參數保持一致,適用于精密機械微調整等,是應用范圍廣泛的小型起重工具。
【產品名稱】WJ型標準蝸輪千斤頂 【產品品牌】日本OJ大阪千斤頂(OSAKA JACK) 【產品規格】1T~100T 【產品保質】保質期12個月 【是否現貨】部分型號有庫存 【典型應用】適合用于移動和抬起重物;可用于均調整或微移動,如精密機械;應用范圍廣泛,從軋鋼重型機械到造紙精密機械
【產品特點】 ● WJ型標準蝸輪千斤頂主要用于推升負載; ● 拉力為推力的1/2,WJ01 和 WJ02的推力和拉力是一樣的; ● WJ型蝸輪千斤頂可提供結合兩個或多個千斤頂的操作,即使在不同的負載下,也可提供同步運行; ● WJ型蝸輪千斤頂可根據實際應用選擇驅動源,按手動,電動,空氣馬達操作; ● WJ型標準蝸輪千斤頂安全保持負載,因為負載配備螺桿可以自我保持; ● 日本OJ WJ型蝸輪千斤頂小小的旋轉力可提供大的推拉力,小巧便攜; ● WJ標準型蝸輪千斤頂精密加工的蝸桿齒輪,光滑順暢,上下運動平穩; ● WJ型蝸輪千斤頂附有防止螺旋旋轉的鍵;
溫馨提示:我公司同時提供“WJN移動型蝸輪千斤頂”,詳情可咨詢龍海起重曲經理
|
|||||||
|
相關產品
|









