| 產品描述 | 技術參數 | 包裝參數 | 技術文檔 | |||||||
|
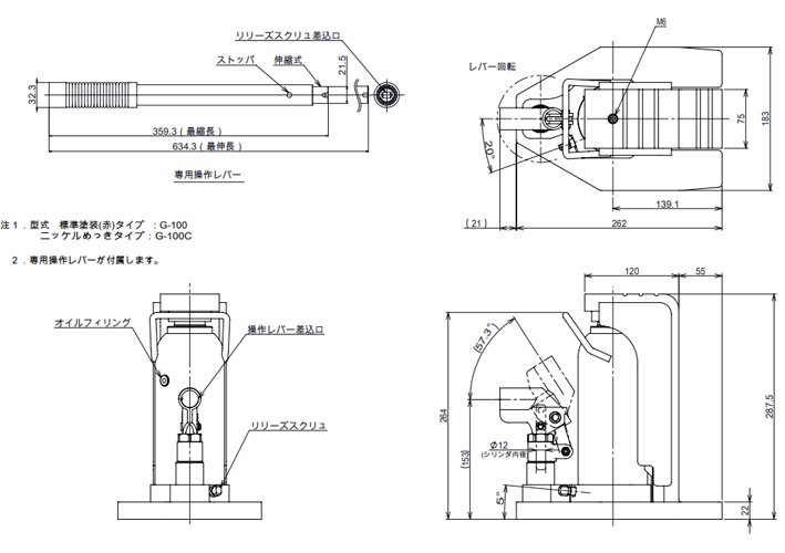
G-100C無塵室用爪式千斤頂介紹 【產品名稱】EAGLE JACK G-100C無塵室用爪式千斤頂 【產品品牌】日本EAGLE JACK 【產品規格】G-100C無塵室用爪式千斤頂(爪載荷5T,頭部載荷10T) 【產品保質】保質期1年 【產品來源】無塵室用爪式千斤頂 【典型應用】適用于無塵室環境,如半導體設備、電子、化學加工、制藥、芯片制造和食品加工等領域 G-100C無塵室用爪式千斤頂質保 EAGLE JACK G-100C無塵室用爪式千斤頂為日本原裝進口產品,保質1年,我公司承諾凡是客戶在我公司定購的進口類產品均為原裝正品,絕不存在拆件貨,換件貨,假冒品牌產品,凡客戶從我公司定購EAGLE JACK產品如收到貨物時發現有拆件貨,換件貨,假冒、假貨仿貨均以100倍金額賠償。
G-100C無塵室用爪式千斤頂優點 ●G-100C無塵室用爪式千斤頂為G-100標準型爪式千斤頂的定制產品,其表面不涂裝油漆、經過特殊工藝處理,因此廣泛用于無塵室應用,如半導體設備、電子、化學加工、制藥、芯片制造和食品加工等領域。 ●G-100C無塵室用爪式千斤頂帶防超載安全閥、高度行程限位,確保使用安全; |
||||||||||
|
相關產品
|










