| 產品描述 | 技術參數 | 包裝參數 | 技術文檔 | |||
|
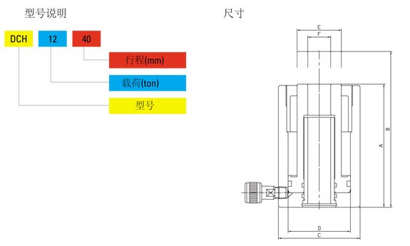
DCH中空分離式千斤頂介紹 【產品名稱】TONNERS DCH中空分離式千斤頂 【產品品牌】韓國Tonners 【產品規格】DCH-1240中空分離式千斤頂(載荷12噸)、DCH-2050中空分離式千斤頂(載荷20噸)、DCH-3063中空分離式千斤頂(載荷30噸)、DCH-50100中空分離式千斤頂(載荷50噸)、DCH-100100中空分離式千斤頂(載荷100噸) 【產品保質】保質一年 【品牌資訊】韓國Tonners品牌介紹 【產品認證】獲得ISO 9001:2000認證、CE認證、ISO 14001環境管理體系認證 【產品介紹】分離式千斤頂
DCH中空分離式千斤頂質保 TONNERS DCH中空分離式千斤頂為韓國原裝進口產品,保質1年,我公司承諾凡是客戶在我公司定購的進口類產品均為原裝正品,絕不存在拆件貨,換件貨,假冒品牌產品,凡客戶從我公司定購韓國TONNERS產品如收到貨物時發現有拆件貨,換件貨,假冒、假貨仿貨均以100倍金額賠償。 DCH型中空分離式千斤頂特點 ●DCH型中空分離式千斤頂采用單作用設計,用于模型夾具、沖壓、牽引 ●DCH型中空分離式千斤頂可單臺使用,也可多臺組合為同步千斤頂搭配手動泵或電動泵使用 ●DCH型中空分離式千斤頂中間為中空式,用于測試拉力
DCH型中空分離式千斤頂到貨實拍圖片:
DCH型中空分離式千斤頂實物圖一
DCH型中空分離式千斤頂實物圖二 |
||||||
|
相關產品
|











