| 產品描述 | 技術參數 | 包裝參數 | 技術文檔 | |||
|
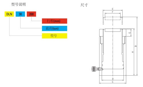
DLN自鎖分離式千斤頂介紹 【產品名稱】TONNERS DLN自鎖分離式千斤頂 【產品品牌】韓國Tonners 【產品規格】30T~200T 【產品保質】保質一年 【品牌資訊】韓國Tonners品牌介紹 【產品認證】獲得ISO 9001:2000認證、CE認證、ISO 14001環境管理體系認證 【產品目錄】分離式千斤頂 【典型應用】適用于需要長時間保持負載頂升狀態且長時間負載行程不變的場合
DLN自鎖分離式千斤頂質保 TONNERS DLN自鎖分離式千斤頂為韓國原裝進口產品,保質1年,我公司承諾凡是客戶在我公司定購的進口類產品均為原裝正品,絕不存在拆件貨,換件貨,假冒品牌產品,凡客戶從我公司定購韓國TONNERS產品如收到貨物時發現有拆件貨,換件貨,假冒、假貨仿貨均以100倍金額賠償。 DLN自鎖分離式千斤頂特點: ●DLN自鎖分離式千斤頂帶有自鎖設計,使用時更安全 ●韓國Tonners DLN自鎖分離式千斤頂采用單作用設計,可搭配手動泵或電動泵使用 ●DLN自鎖分離式千斤頂可用于施工現場 |
||||||
|
相關產品
|









