| 產品描述 | 技術參數 | 包裝參數 | 技術文檔 | |||||||||||||
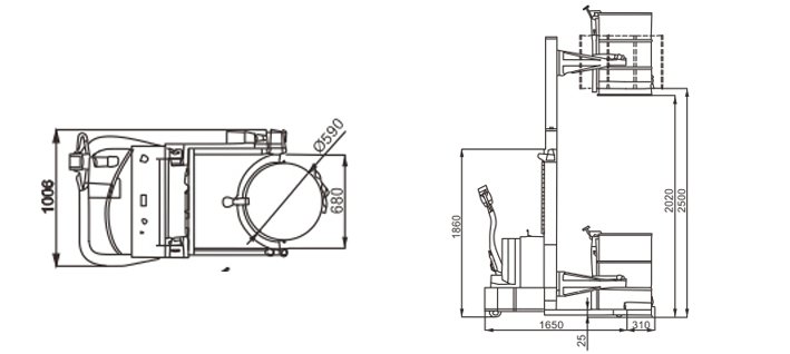
【產品名稱】LYL650A全電動油桶搬運車 【產品品牌】龍升品牌 【產品規格】650kg 【產品保質】保質期12個月 【典型應用】LYL650A全電動油桶搬運車適用于油桶的搬運、提升、裝卸作業。
LYL650A全電動油桶搬運車介紹
龍升LYL650A全電動油桶搬運車屬于煙臺開發區龍海起重工具有限公司旗下品牌產品,產品保質周期為12個月(易損件除外),在產品保質周期內正常使用的情況下出現的質量問題,我公司可提供免費維修、免費更換配件、如因質量問題維修或更換配件仍然不能達到正常使用,可免費更換主機(產品附件以及易損件除外)由此產生的運輸,維修費用由我公司承擔。非質量問題我公司將收費處理,所產生的運輸、維修等費用由客戶承擔。 注意:不論產品出現上述那種問題,客戶需要提供清楚的故障視頻以及產品故障圖片,并說明使用方式。
●LYL650A全電動油桶搬運車適用于油桶的搬運、提升、裝卸作業,該車采用進口電動車用的行走控制系統,行走穩定,具有輕便、靈活的特性,可單人操作; ●LYL650A全電動油桶搬運車人機合一的多功能控制手柄,行走無級調速器、大功率換向開關、一體化液壓泵站、大功率行走驅動輪;
|
||||||||||||||||
|
相關產品
|












